CLECO,COOPER,A8 系列气动马达

■ 最大功率
■ 2 .7 hp
2 .01 kW
扭矩范围
19 – 638 ft . lbs .
26 – 865 Nm
■ 正反转
|
|
转速 |
堵转扭矩 |
启动扭矩 |
重量 |
|
可承受轴向力 |
|||||
|
最大功率 |
自由转速 |
ft lbs. |
Nm |
ft lbs. |
Nm |
lbs. |
kg |
lbs. |
kg |
||
|
端面安装 – 1 1/8” 键轴 |
|||||||||||
|
62彩集团 A8R309M |
1300 |
2600 |
19 |
26 |
14 |
19 |
38 |
62彩集团 17 .2 |
— |
62彩集团 1000 |
454 |
|
62彩集团 A8R310M |
375 |
765 |
64 |
87 |
48 |
65 |
38 |
17 .2 |
3 .4:1 |
62彩集团 1000 |
454 |
|
62彩集团 A8R310M |
225 |
450 |
110 |
149 |
82 |
111 |
38 |
17 .2 |
5 .8:1 |
1000 |
454 |
|
端面安装 – 1 3/8” 键轴 |
|||||||||||
|
A8R337M |
109 |
215 |
226 |
306 |
167 |
226 |
51 |
23 .1 |
11 .9:1 |
1000 |
454 |
|
62彩集团 A8R338M |
64 |
125 |
385 |
522 |
285 |
386 |
51 |
23 .1 |
20 .3:1 |
1000 |
454 |
|
62彩集团 A8R336M |
38 |
75 |
638 |
865 |
471 |
639 |
51 |
23 .1 |
33 .6:1 |
62彩集团 1000 |
454 |
新老型号对照
|
新型号 |
A8R309M |
A8R310M |
A8R310M |
A8R337M |
A8R338M |
A8R336M |
|
老型号 |
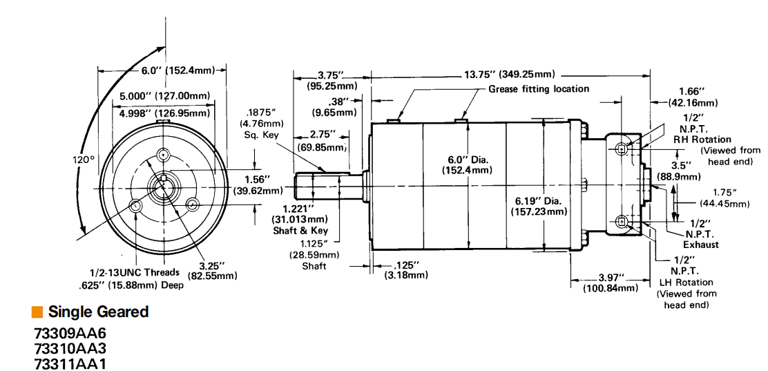
73309AA6 |
73310AA3 |
73311AA1 |
73337AA7 |
73338AA5 |
73336AA9 |
尺寸图:

常用型号为,A8R311M,A8R337M,A8R338M,A8R336M。
DELU气垫车行走驱动气动马达备件。可根据要求定制花键轴输出气动马达,也可提供对应型号叶片式气动马达。常用于DELU250吨,300吨,280吨,350吨等大吨位气垫车的行走驱动。
如需了解更详细信息,请咨询我司产品销售经理。